網站首頁 >> 采購指南 >> 磁粉探傷中鐵磁材料磁疇簡介及溫度影響
磁粉探傷中鐵磁材料磁疇簡介及溫度影響
久久夜色AV、夜色资源网站中鐵磁材料的鐵磁質中,相鄰的鐵原子中存在非常強的交換耦合作用,這個相互作用促使相鄰原子中的電子磁矩平行排列起來,形成一個自發磁化達到飽和狀態的微小區域,這些自發的微小區域,稱為磁疇。一個典型的磁疇寬度約為10-3cm,體積約為10-9cm3,內部大約含有1014個磁性原子。
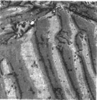
若在磨光的鐵磁質表麵上撒上一層極細的鐵粉,由於磁疇的邊界處存在著不均勻的強磁場,它將鐵粉吸引到強磁場的邊界上去,用金相顯微鏡可以直接觀察到鐵粉沿著磁疇的邊界聚集形成某種圖形。例如,某鐵磁性鐵塊表麵磁疇聚集鐵粉示意圖如下圖

在沒有外加磁場作用時,鐵磁性材料內各磁疇的磁矩方向是相互抵消的,從而對外不顯示磁性。

當把鐵磁性材料放到外加磁場中時,鐵磁性材料內部磁疇就會受到外部磁場作用,從而導致磁疇磁矩轉動,導致相鄰磁疇的分界麵(又稱疇壁)發生位移。

當增強外加磁場到一定值時,鐵磁性材料內部磁疇磁矩方向就會全部轉向外加磁場方向,表示鐵磁性材料被磁化,顯示磁性,形成磁極N、S。

當去掉外加磁場後,鐵磁性材料內部磁疇磁矩方向出現局部改變,但仍保留一定的磁性,對外顯示磁性。

需要注意的是高溫會導致鐵磁性材料內部磁疇的排列規則,使鐵磁性材料產生的磁性減弱或消失,當溫度上升到一定值後,鐵磁性材料產生的磁性完全消失,從而表現出順磁性,從而實現鐵磁性材料的退磁,當鐵磁性材料處於大於此溫度值得狀態時,鐵磁性材料是無法實現被外加磁場磁化的。即使外加溫度值下降,隻要無外加磁場靠近,鐵磁性材料依然不顯示磁性。使鐵磁性材料失去磁性的溫度被稱為居裏溫度或居裏溫度點。
部分鐵磁性材料的居裏溫度點:
|
材 料 |
居裏溫度點(℃) |
|
鐵 |
769 |
|
鎳 |
365 |
|
鈷 |
1150 |
|
鐵,矽5% |
720 |
|
鐵,鉻10% |
740 |
|
鐵,錳4% |
715 |
|
鐵,釩5% |
815 |
夜色网址最新探傷機版權所有,轉載請注明出處,http://www.sdstdp.com。




